產品中心
因采用機械繞片,散熱翅片與散熱管接觸大而緊,傳熱性能良好、穩定,空氣通過阻力較小,蒸汽或熱水流經鋼管管內,熱量通過緊繞在鋼管上翅片傳給經過翅片間的空氣,達到加熱和冷卻空氣的作用。
應用
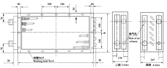
結構示意圖
|
助片特性
|
管子特性
|
每米管長
散熱面積(米2) |
結構計算參數
|
排列
方式 |
|||||||
|
型式
|
繞片
片厚 |
片高(mm)
|
片距(mm)
|
外徑(mm)
|
內徑
(mm) |
內截面(cm2)
|
筋化
系數 |
筋通
系數 |
凈面化
|
||
|
管外
纏繞 |
0.3
|
10
|
3.2
|
18
|
14
|
1.54
|
0.64
|
14.56
|
15.8
|
0.53
|
錯排 |
技術參數
|
表面管數
|
B(mm)
|
|
24
|
30
|
42
|
54
|
78
|
|
|
720
|
870
|
1170
|
1470
|
2070
|
||||
|
6
|
318
|
散熱面積(m2)
散熱面積(m2) 受風表面積(m2) 通風凈截面積(m2) 進出管接頭(時) 重量 (kg) |
2
4 2/4 2/4 2/4 2/4 |
4.7
9.4 1.157 0.0863 1 19/34 |
5.84
11.86 0.196 0.108 1 22/40 |
8.12
16.24 0.273 0.145 1 28/50 |
|
|
|
10
|
474
|
散熱面積(m2)
散熱面積(m2) 受風表面積(m2) 通風凈截面積(m2) 進出管接頭(時) 重量 (kg) |
2
4 2/4 2/4 2/4 2/4 |
7.82
15.61 0.253 0.131 1 28/50 |
9.72
19.44 0.315 0.167 1 33/59 |
13.56
27.12 0.438 0.233 1 41/73 |
17.42
34.84 0.563 0.298 1 50/90 |
25.08
50.16 0.812 0.430 1 72/129 |
|
15
|
669
|
散熱面積(m2)
散熱面積(m2) 受風表面積(m2) 通風凈截面積(m2) 進出管接頭(時) 重量 (kg) |
2
4 2/4 2/4 2/4 2/4 |
11.72
23.44 0.372 0.197 2 46/83 |
14.58
29.16 0.463 0.245 2 53/95 |
20.34
40.68 0.645 0.342 2 68/122 |
26.12
52.24 0.828 0.438 2 82/148 |
37.62
75.24 1.192 0.632 2 111/220 |
|
24
|
1020
|
散熱面積(m2)
散熱面積(m2) 受風表面積(m2) 通風凈截面積(m2) 進出管接頭(時) 重量 (kg) |
2
4 2/4 2/4 2/4 2/4 |
18.8
37.6 0.585 0.310 2 57/102 |
23.32
46.64 0.729 0.386 2 79/142 |
32.54
65.08 1.016 0.538 2 101/182 |
41.8
83.6 1.307 0.693 2 122/220 |
60.20
120.40 1.881 0.998 2 164/295 |
SRZ型散熱器 SRL型散熱器

技術參數
|
表面管數
|
總管數
|
換熱面積
(m2) |
主要幾何尺寸參數
|
|||||
|
A
|
B
|
m×t1
|
n×t1
|
換熱管
有效長度L(mm) |
換熱管
總長度L(mm) |
|||
|
8
|
23
|
8
|
407
|
660
|
4×94
|
6×105
|
600
|
540
|
|
10
|
29
|
12.5
|
493
|
798
|
4×116
|
7×110
|
729
|
669
|
|
12
|
35
|
18
|
579
|
930
|
5×110
|
9×100
|
870
|
810
|
|
14
|
41
|
26
|
665
|
1070
|
6×106
|
10×104
|
1010
|
980
|
|
16
|
47
|
33
|
751
|
1210
|
6×120
|
10×118
|
1150
|
1090
|
|
18
|
53
|
42
|
837
|
1350
|
8×101
|
11×120
|
1290
|
1230
|
|
20
|
59
|
54
|
923
|
1494
|
8×111
|
12×122
|
1434
|
1374
|
|
22
|
65
|
64
|
1009
|
1640
|
10×101
|
14×115
|
1580
|
1550
|
|
24
|
71
|
75
|
1095
|
1772
|
10×107
|
15×116
|
1712
|
1652
|
|
26
|
77
|
90
|
1181
|
1920
|
10×115
|
18×105
|
1860
|
1830
|
|
28
|
83
|
104
|
1267
|
2053
|
12×103
|
17×119
|
1993
|
1963
|
|
30
|
89
|
118
|
1353
|
2189
|
11×120
|
17×127
|
2129
|
2069
|